Thông tin sản phẩm
ĐỘNG CƠ GIẢM TỐC CHHM SUMITOMO
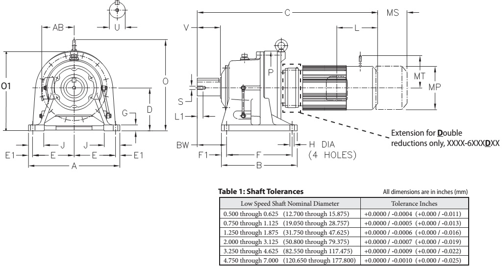
CYCLO® 6000 Gearmotors Integral Horizontal Foot Mount
Chi tiết kỹ thuật và thông số kỹ thuật dòng sản phẩm chính hãng động cơ giảm tốc dòng CHHM từ nhà sản xuất Sumitomo xuất xứ từ Japan được Ngân Anh Phát
Các tính năng chính của dòng động cơ giảm tốc CHHM series
Công nghệ giảm tốc độ cycloidal: Vận hành êm, hiệu quả và đáng tin cậy với mật độ mô men xoắn cao và kích thước nhỏ gọn
Thiết kế : chân và mặt bích được thiết kế bằng gang khuôn đúc
Linh kiện và chi tiết được sản xuất trên toàn cầu
Các vật liệu bên trong đạt độ cứng cao bằng thép, khử khí bằng môi trường chân không
Khả năng rung và tiếng ồn thấp
Tuổi thọ sử dụng lâu dài
Model CHHM series:
CHHM02-6135DAY
CHHM02-6135DAY-AV
CHHM02-6135DCY
CHHM02-6135DCY-AV
CHHM03-6135DCY
CHHM03-6135DCY-AV
CHHM05-6135DCY
CHHM05-6135DCY-AV
CHHM08-6135Y
CHHM08-6135Y-AV
CHHM08-6135DCY
CHHM08-6135DCY-AV
CHHM1-6135Y-EP
CHHM1-6135DCY-EP
CHHM1H-6135Y-EP
CHHM1H-6135DCY-EP
CHHM2-6135Y-EP
CHHM2-6135DCY-EP
CHHM3-6135Y-EP
CHHM3-6135DCY-EP
CHHM5-6135Y-EP
CHHM8-6135Y-EP
CHHM10-6135Y-EP
CHHM15-6135Y-EP
CHHM02-6145DBY
CHHM02-6145DBY-AV
CHHM03-6145DBY
CHHM03-6145DBY-AV
CHHM05-6145DBY
CHHM05-6145DBY-AV
CHHM08-6145DBY
CHHM08-6145DBY-AV
CHHM1-614HY-EP
CHHM1-6145Y-EP
CHHM1-6145DBY-EP
CHHM1H-6145Y-EP
CHHM1H-6145DBY-EP
CHHM2-6145Y-EP
CHHM2-6145DBY-EP
CHHM2-6145DCY-EP
CHHM3-6145Y-EP
CHHM3-6145DBY-EP
CHHM3-6145DCY-EP
CHHM5-6145Y-EP
CHHM8-6145Y-EP
CHHM10-6145Y-EP
CHHM15-6145Y-EP
CHHM20-6145Y-EP
CHHM1H-614HY-EP
CHHM2-614HY-EP
CHHM3-614HY-EP
CHHM5-614HY-EP
CHHM8-614HY-EP
CHHM10-614HY-EP
CHHM15-614HY-EP
CHHM20-614HY-EP
Ứng dụng nhiều trong các ngành:
• Băng tải
• Máy cưa và máy cưa gỗ
• Máy móc thực phẩm
• Xử lý nước thải
• Máy trộn
• Cối xay thép
• Nhà máy ô tô
• Thiết bị xây dựng
• Máy tái chế
• Nhà máy Giấy
• Nhà máy gia cầm
• Nhà máy chế biến
Thông số kỹ thuật dòng động cơ giảm tốc CHHM:

Thông tin về thương hiệu SUMITOMO
Bạn chưa tìm thấy sản phẩm mình muốn?
Vui lòng tham khảo các gợi ý sau hoặc liên hệ trực tiếp với chúng tôi để được hỗ trợ nhanh nhất.
