Động Cơ Bước Nema 43 - 110mm
Còn hàng
Liên hệ
- ID: 4130
Thông tin sản phẩm
ĐỘNG CƠ BƯỚC NEMA 43 – 110MM
Nema 43 – 43H3A Stepper Motor – 110mm (1.2 Degree)
Công ty Ngân Anh Phát là đơn vị chuyên cung cấp và phân phối các dòng sản phẩm Động Cơ Bước Nema 43 – 110mm chính hãng chất lượng tốt – giá thành rẻ tại thị trường Việt Nam.
Model chính :
- 43HS3A125-603
- 43HS3A150-603
- 43HS3A200-603
- 43HS3A215-703
Thông số kỹ thuật chung :
- Step Accuracy : ±5%
- Resistance Accuracy : ±10%
- Inductance Accuracy : ±20%
- Temperature Rise : 80°C MAX.
- Ambient Temperature Range : -20°C~ +50°C
- Storage Temperature Range : -30°C~ +60°C
- Insulation Resistance : 100M Ω MIN. 500V DC
- Dielectric Strength : 820VAC, 1s, 3mA
- Radial Play : 0.02mm MAX. (450g Load)
- End Play : 0.08mm MAX. (450g Load)
- Max. radial force : 220N
- Max. axial force : 60N
Thông số kỹ thuật điện :
| Series Model |
Stepo Angle (deg) |
Motor Length (mm) |
Rate Current (A) |
Phase Resistance (Ohm |
Phase Inductance (mH) |
Holding Torque (N.cm Min) |
Rotor Inertia (g.cm²) |
Lead Wire (No.) |
Motor Weight (Kg) |
| 43HS3A125-603 | 1.2 | 125 | 6.0 | 1.25 | 4.5 | 8.0 | 8500 | 3 | 7.5 |
| 43HS3A150-603 | 1.2 | 150 | 6.0 | 1.0 | 8.0 | 12.5 | 11000 | 3 | 8.4 |
| 43HS3A200-603 | 1.2 | 200 | 6.0 | 1.45 | 13.2 | 17 | 15000 | 3 | 15 |
| 43HS3A215-703 | 1.2 | 215 | 7.0 | 1.9 | 7.3 | 20 | 17400 | 3 | 17 |
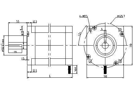
Bản vẽ và sơ đồ đấu dây :


Bạn chưa tìm thấy sản phẩm mình muốn?
Vui lòng tham khảo các gợi ý sau hoặc liên hệ trực tiếp với chúng tôi để được hỗ trợ nhanh nhất.
