Động Cơ Bước 2 Pha Nema 14 14H2A
Còn hàng
Liên hệ
- ID: 4131
Thông tin sản phẩm
Động Cơ Bước 2 Pha Nema 14 14H2A
Nema14, 14H2A, 2-Phase Stepper Motors -35mm
Công ty Ngân Anh Phát chuyên Phân phối & Cung cấp dòng sản phẩm Động cơ bước 2 Pha Nema 14 chính hãng chất lượng cao – giá tốt nhất tại thị trường Việt Nam.
Thông số kỹ thuật
- Step Accuracy : ±5%
- Resistance Accuracy : ±10%
- Inductance Accuracy : ±20%
- Temperature Rise : 80°C MAX.
- Ambient Temperature Range : -20°C~ +50°C
- Storage Temperature Range : -30°C~ +60°C
- Insulation Resistance : 100M Ω MIN. 500V DC
- Dielectric Strength : 500V AC 1min
- Radial Play : 0.02mm MAX. (450g Load)
- End Play : 0.08mm MAX. (450g Load)
- Max. radial force : 28N
- Max. axial force : 10N
| Thông số kỹ thuật Điện : | |||||||||||||||||||||||||||||||||||||||||||||||||||||||||||||||||||||||||||||||||||||||||||||||||||
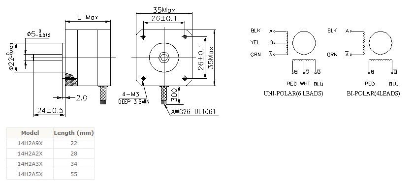
Kích thước & Sơ đồ đấu dây
|
Bạn chưa tìm thấy sản phẩm mình muốn?
Vui lòng tham khảo các gợi ý sau hoặc liên hệ trực tiếp với chúng tôi để được hỗ trợ nhanh nhất.
