Thông tin sản phẩm
LẮP ĐẶT CÁNH TAY ROBOT HIWIN
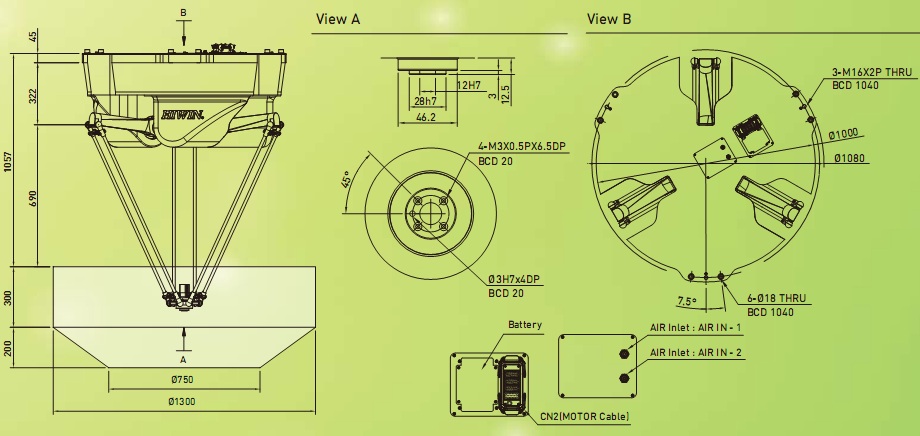
Delta Robot RD403 Series
Các tính năng chính của dòng cánh tay robot Delta RD403
– Cánh tay robot 4 trục song song
– Chuyển động với tốc độ cao
– Độ chính xác và ổn định cực cao
– Thời gian cho 1 chu kì ngắn
– Ứng dụng : lắp ráp, canh chỉnh và đóng gói
– Thời gian chu kỳ dựa trên chuyển động qua lại trên một khoảng cách theo chiều dọc 90 mm và khoảng cách ngang 400 mm
– Chu kỳ thời gian thực tế sẽ phụ thuộc vào điều kiện hoạt động.
– Model : RD403
[wpcc-iframe allowfullscreen=”” frameborder=”0″ height=”270″ src=”https://www.youtube.com/embed/-SSrRxqIUgQ?feature=oembed” width=”480″]
Thông số kỹ thuật cánh tay robot Delta RD403 :
| Các cấp độ | 4 | |
|---|---|---|
| Tải trọng | 3 kg | |
| Phạm Vi Chuyển Động | hành trình ngang | 1300 mm |
| hành trình đứng | 500mm | |
| Position repeatability | ±0.1mm | |
| Lặp lại vị trí | 0.3s | |
| Trọng lượng (kg) |
165kg | |
| Bộ điều khiển | RCD403 | |
| Lắp đặt | gắn trần | |

Thông tin về thương hiệu HIWIN
Bạn chưa tìm thấy sản phẩm mình muốn?
Vui lòng tham khảo các gợi ý sau hoặc liên hệ trực tiếp với chúng tôi để được hỗ trợ nhanh nhất.
