Thanh Trượt - Con Trượt AIRTAC LSD Series
Còn hàng
Liên hệ
- ID: 30674
- Xuất Xứ: Taiwan
- Bảo Hành: 12 Tháng
Thông tin sản phẩm
Thanh Trượt – Con Trượt AIRTAC LSD Series
Công ty Ngân Anh Phát tự hào là đơn vị hàng đầu chuyên cung cấp và phân phối dòng sản phẩm Thanh trượt – Con trượt LSD series chính hãng đến từ nhà sản xuất AIRTAC tại thị trường Việt Nam.
Tính Năng Nổi Bật Của Dòng Sản Phẩm LSD Series:
* Khả năng tự căn chỉnh
Thiết kế rãnh cong hình chữ X (45°- 45°) giúp cơ cấu có khả năng tự căn chỉnh. Ngay cả khi có sự sai lệch nhỏ trên bề mặt lắp đặt, thiết kế này vẫn có thể hấp thụ sai lệch đó và duy trì độ chính xác cao, đảm bảo chuyển động tuyến tính trơn tru và ổn định.
* Thiết kế trọng tâm thấp, độ cứng cao, chịu tải đều theo bốn hướng
Góc tiếp xúc 45 độ của bốn hàng bi thép với rãnh trượt giúp các viên bi đạt được tiếp xúc hai điểm lý tưởng, có khả năng chịu được lực tác động và phản lực theo cả phương hướng tâm và phương ngang. Đồng thời, có thể áp dụng tải trước để tăng thêm độ cứng khi cần thiết. Thiết kế này giúp giảm chiều cao tổng thể của con trượt và ray trượt, rút ngắn chiều dài con trượt, đáp ứng yêu cầu thu nhỏ kích thước.
* Dễ dàng thay thế và có thể hoán đổi
Nhờ kiểm soát chặt chẽ quy trình sản xuất, độ chính xác về kích thước luôn ổn định và nằm trong giới hạn dung sai cho phép. Ngoài ra, thiết kế giá đỡ bi giúp ngăn các viên bi thép rơi ra ngoài. Do đó, trong quá trình lắp ráp, các con trượt có thể thay thế lẫn nhau trong cùng một thông số kỹ thuật mà vẫn đảm bảo hoạt động ổn định.
Thông Tin Đặt Hàng:
Danh Sách Model Và Thông Số Kỹ Thuật Thanh Trượt – Con Trượt LSH Series
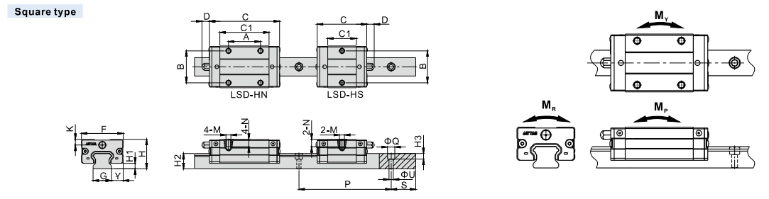
* Square type

| Model\Item | External Dimension ( mm ) | Block Dimension ( mm ) | Rail Dimension ( mm ) | ||||||||||||||||||
| H | H1 | F | Y | C | C1 | A | B | K | D | M | N | G | H2 | P | S | ΦQ | ΦU | H3 | |||
| Standard (Blank) | Double oil scrapers (DD) | Oil scraper + Metal scraper (ZZ) | |||||||||||||||||||
| LSD15HS | 24 | 4.5 | 34 | 9.5 | 40.5 | 47.5 | 45.0 | 23.5 | – | 26 | 4.6 | 6 | M4X0.7 | 6 | 15 | 12.5 | 60 | 20 | 8(6) | 4.8(3.5) | 5.3(4.5) |
| LSD15HN | 24 | 4.5 | 34 | 9.5 | 57.0 | 64.0 | 61.5 | 40 | 26 | 26 | 4.6 | 6.0 | M4X0.7 | 6 | 15 | 12.5 | 60 | 20 | 8(6) | 4.8(3.5) | 5.3(4.5) |
| LSD20HS | 28 | 6.0 | 42 | 11 | 46.0 | 53.0 | 50.5 | 29 | – | 32 | 6.2 | 13.0 | M5X0.8 | 7 | 20 | 15.5 | 60 | 20 | 9.5 | 5.8 | 8.5 |
| LSD20HN | 28 | 6.0 | 42 | 11.0 | 65.0 | 72.0 | 69.5 | 48.0 | 32 | 32 | 6.2 | 13.0 | M5X0.8 | 7 | 20 | 15.5 | 60 | 20 | 9.5 | 5.8 | 8.5 |
| LSD25HS | 33 | 7.0 | 48 | 12.5 | 59 | 66 | 63.5 | 36.5 | – | 35 | 7.2 | 13.0 | M6X1.0 | 9 | 23 | 18 | 60 | 20 | 11.2 | 7 | 9 |
| LSD25HN | 33 | 7.0 | 48 | 12.5 | 83.0 | 90.0 | 87.5 | 60.5 | 35 | 35 | 7.2 | 13 | M6X1.0 | 9 | 23 | 18 | 60 | 20 | 11.2 | 7 | 9 |
| LSD30HS | 42 | 9.0 | 60 | 16 | 68.5 | 76.5 | 73.5 | 41.5 | – | 40 | 7.2 | 13 | M8X1.25 | 12 | 28 | 23 | 80 | 20 | 11.2(14.2) | 7(9) | 9(12) |
| LSD30HN | 42 | 9 | 60 | 16 | 97 | 105 | 102 | 70 | 40 | 40 | 7.2 | 13.0 | M8X1.25 | 12 | 28 | 23 | 80 | 20 | 11.2(14.2) | 7(9) | 9(12) |
| LSD35HS | 48 | 11 | 70 | 18 | 73.5 | 81.5 | 78.5 | 46.5 | – | 50 | 8.5 | 13.0 | M8X1.25 | 12 | 34 | 27.5 | 80 | 20 | 14.2 | 9 | 12 |
| LSD35HN | 48 | 11 | 70 | 18.0 | 106.5 | 114.5 | 111.5 | 79.5 | 50 | 50 | 8.5 | 13 | M8X1.25 | 12 | 34 | 27.5 | 80 | 20.0 | 14.2 | 9 | 12 |
| Model\ltem | MountingScrew | Dynamic Load Rating(kN) C | Static Load Rating(kN) C0 | Static Rated Moment (kN.m) | Weight | |||
| MR | MP | MY | Block(kg) | Rail(kg/m) | ||||
| LSD15HS | M4(M3) | 5.0 | 9.5 | 0.07 | 0.04 | 0.04 | 0.09 | 1.23 |
| LSD15HN | M4(M3) | 8.9 | 16.5 | 0.12 | 0.10 | 0.10 | 0.15 | 1.23 |
| LSD20HS | M5 | 7.2 | 13.5 | 0.13 | 0.06 | 0.06 | 0.14 | 2.11 |
| LSD20HN | M5 | 12.1 | 22.4 | 0.20 | 0.15 | 0.15 | 0.23 | 2.11 |
| LSD25HS | M6 | 11.5 | 20.8 | 0.22 | 0.11 | 0.11 | 0.26 | 2.76 |
| LSD25HN | MS | 19.3 | 34.7 | 0.36 | 0.31 | 0.31 | 0.42 | 2.76 |
| LSD30HS | M6(M8) | 19.8 | 30.0 | 0.38 | 0.20 | 0.20 | 0.44 | 4.60 |
| LSD30HN | M6(M8) | 28.3 | 50.3 | 0.65 | 0.53 | 0.53 | 0.75 | 4.60 |
| LSD35HS | M8 | 29.2 | 40.7 | 0.66 | 0.33 | 0.33 | 0.74 | 6.27 |
| LSD35HN | M8 | 42.7 | 70.2 | 1.02 | 0.72 | 0.72 | 1.17 | 6.27 |
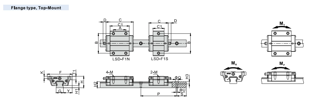
* Flange type, Top-Mount

| Model\Item | External Dimension ( mm ) | Block Dimension ( mm ) | Rail Dimension ( mm ) | ||||||||||||||||||
| H | H1 | F | Y | C | C1 | A | B | K | D | M | T1 | G | H2 | P | S | ΦQ | ΦU | H3 | |||
| Standard (Blank) | Double oil scrapers (DD) | Oil scraper + Metal scraper (ZZ) | |||||||||||||||||||
| LSD15F1S | 24 | 4.5 | 52 | 18.5 | 40.5 | 47.5 | 45.0 | 23.5 | – | 41 | 4.6 | 6 | M5X0.8 | 7.5 | 15 | 12.5 | 60 | 20 | 8(6) | 4.8(3.5) | 5.3(4.5) |
| LSD15F1N | 24 | 4.5 | 52 | 18.5 | 57.0 | 64.0 | 61.5 | 40 | 26 | 41 | 4.6 | 6.0 | M5X0.8 | 7.5 | 15 | 12.5 | 60 | 20 | 8(6) | 4.8(3.5) | 5.3(4.5) |
| LSD20F1S | 28 | 6.0 | 59 | 19.5 | 46.0 | 53.0 | 50.5 | 29 | – | 49 | 6.2 | 13.0 | M6X1.0 | 9.5 | 20 | 15.5 | 60 | 20 | 9.5 | 5.8 | 8.5 |
| LSD20F1N | 28 | 6.0 | 59 | 19.5 | 65.0 | 72.0 | 69.5 | 48.0 | 32 | 49 | 6.2 | 13.0 | M6X1.0 | 9.5 | 20 | 15.5 | 60 | 20 | 9.5 | 5.8 | 8.5 |
| LSD25F1S | 33 | 7.0 | 73 | 25.0 | 59 | 66 | 63.5 | 36.5 | – | 60 | 7.2 | 13.0 | M8X1.25 | 10.5 | 23 | 18 | 60 | 20 | 11.2 | 7 | 9 |
| LSD25F1N | 33 | 7.0 | 73 | 25 | 83.0 | 90.0 | 87.5 | 60.5 | 35 | 60 | 7.2 | 13 | M8X1.25 | 10.5 | 23 | 18 | 60 | 20 | 11.2 | 7 | 9 |
| LSD30F1S | 42 | 9.0 | 90 | 31 | 68.5 | 76.5 | 73.5 | 41.5 | – | 72 | 7.2 | 13 | M10X1.5 | 10.5 | 28 | 23 | 80 | 20 | 11.2(14.2) | 7(9) | 9(12) |
| LSD30F1N | 42 | 9 | 90 | 31 | 97 | 105 | 102 | 70 | 40 | 72 | 7.2 | 13.0 | M10X1.5 | 10.5 | 28 | 23 | 80 | 20 | 11.2(14.2) | 7(9) | 9(12) |
| LSD35F1S | 48 | 11 | 100 | 33 | 73.5 | 81.5 | 78.5 | 46.5 | – | 82 | 8.5 | 13.0 | M10X1.5 | 13.5 | 34 | 27.5 | 80 | 20 | 14.2 | 9 | 12 |
| LSD35F1N | 48 | 11 | 100 | 33.0 | 106.5 | 114.5 | 111.5 | 79.5 | 50 | 82 | 8.5 | 13 | M10X1.5 | 13.5 | 34 | 27.5 | 80 | 20.0 | 14.2 | 9 | 12 |
| Model\ltem | MountingScrew | Dynamic Load Rating(kN) C | Static Load Rating(kN) C0 | Static Rated Moment (kN.m) | Weight | |||
| MR | MP | MY | Block(kg) | Rail(kg/m) | ||||
| LSD15F1S | M4(M3) | 5.0 | 9.5 | 0.07 | 0.04 | 0.04 | 0.12 | 1.23 |
| LSD15F1N | M4(M3) | 8.9 | 16.5 | 0.12 | 0.10 | 0.10 | 0.21 | 1.23 |
| LSD20F1S | M5 | 7.2 | 13.5 | 0.13 | 0.06 | 0.06 | 0.18 | 2.11 |
| LSD20F1N | M5 | 12.1 | 22.4 | 0.20 | 0.15 | 0.15 | 0.31 | 2.11 |
| LSD25F1S | M6 | 11.5 | 20.8 | 0.22 | 0.11 | 0.11 | 0.36 | 2.76 |
| LSD25F1N | M6 | 19.3 | 34.7 | 0.36 | 0.31 | 0.31 | 0.60 | 2.76 |
| LSD30F1S | M6(M8) | 19.8 | 30.0 | 0.38 | 0.20 | 0.20 | 0.61 | 4.60 |
| LSD30F1N | M6(M8) | 28.3 | 50.3 | 0.65 | 0.53 | 0.53 | 1.03 | 4.60 |
| LSD35F1S | M8 | 29.2 | 40.7 | 0.66 | 0.33 | 0.33 | 0.93 | 6.27 |
| LSD35F1N | M8 | 42.7 | 70.2 | 1.02 | 0.72 | 0.72 | 1.50 | 6.27 |
* Flange type, Bottom-Mount, Flange type, Top or Bottom-Mount

| Model\Item | External Dimension(mm) | Block Dimension(mm) | Rail Dimension(mm) | ||||||||||||||||||||
| H | H1 | F | Y | C | C1 | A | B | K | D | M | T | T1 | G | H2 | P | S | ΦQ | ΦU | H3 | ||||
| Standard (Blank) | Double oil scrapers (DD) | Oil scraper + Metal scraper (ZZ) | Bottom – Mount | Top or Bottom – Mount | |||||||||||||||||||
| LSD15F2(F3)S | 24 | 4.5 | 52 | 18.5 | 40.5 | 47.5 | 45.0 | 23.5 | – | 41 | 4.6 | 6 | ¢4.5 | M5X0.8 | 7 | 7.5 | 15 | 12.5 | 60 | 20 | 8(6) | 4.8(3.5) | 5.3(4.5) |
| LSD15F2(F3)N | 24 | 4.5 | 52 | 18.5 | 57.0 | 64.0 | 61.5 | 40 | 26 | 41 | 4.6 | 6.0 | ¢4.5 | M5X0.8 | 7.0 | 7.5 | 15 | 12.5 | 60 | 20 | 8(6) | 4.8(3.5) | 5.3(4.5) |
| LSD20F2(F3)S | 28 | 6.0 | 59 | 19.5 | 46.0 | 53.0 | 50.5 | 29 | – | 49 | 6.2 | 13.0 | ¢5.7 | M6X1 0 | 9.0 | 9.5 | 20 | 15.5 | 60 | 20 | 9.5 | 5.8 | 8.5 |
| LSD20F2(F3)N | 28 | 6.0 | 59 | 19.5 | 65.0 | 72.0 | 69.5 | 48.0 | 32 | 49 | 6.2 | 13.0 | ¢5.7 | M6X1.0 | 9 | 9.5 | 20 | 15.5 | 60 | 20 | 9.5 | 5.8 | 8.5 |
| LSD25F2(F3)S | 33 | 7.0 | 73 | 25.0 | 59 | 66 | 63.5 | 36.5 | – | 60 | 7.2 | 13.0 | ¢6.8 | M8X1.25 | 10 | 10.5 | 23 | 18 | 60 | 20 | 11.2 | 7 | 9 |
| LSD25F2(F3)N | 33 | 7.0 | 73 | 25 | 83.0 | 90.0 | 87.5 | 60.5 | 35 | 60 | 7.2 | 13 | ¢6.8 | M8X1.25 | 10 | 10.5 | 23 | 18 | 60 | 20 | 11.2 | 7 | 9 |
| LSD30F2(F3)S | 42 | 9.0 | 90 | 31 | 68.5 | 76.5 | 79.5 | 41.5 | – | 72 | 7.2 | 13 | ¢9 | M10X1.5 | 10 | 10.5 | 28 | 23 | 80 | 20 | 11.2(14.2) | 7(9) | 9(12) |
| LSD30F2(F3)N | 42 | 9 | 90 | 31 | 97 | 105 | 102 | 70 | 40 | 72 | 7.2 | 13.0 | ¢9 | M10X1.5 | 10 | 10.5 | 28 | 23 | 80 | 20 | 11.2(14.2) | 7(9) | 9(12) |
| LSD35F2(F3)S | 48 | 11 | 100 | 33 | 73.5 | 81.5 | 78.5 | 46.5 | – | 82 | 8.5 | 13.0 | ¢9 | M10X1.5 | 13 | 13.5 | 34 | 27.5 | 80 | 20 | 14.2 | 9 | 12 |
| LSD35F2(F3)N | 48 | 11 | 100 | 33.0 | 106.5 | 114.5 | 111.5 | 79.5 | 50 | 82 | 8.5 | 13 | ¢9 | M10X1.5 | 13 | 13.5 | 34 | 27.5 | 80 | 20.0 | 14.2 | 9 | 12 |
| Model\ltem | MountingScrew | Dynamic Load Rating(kN) C | Static Load Rating(kN) C0 | Static Rated Moment (kN.m) | Weight | |||
| MR | MP | MY | Block(kg) | Rail(kg/m) | ||||
| LSD15F2(F3)S | M4(M3) | 5.0 | 9.5 | 0.07 | 0.04 | 0.04 | 0.12 | 1.23 |
| LSD15F2(F3)N | M4(M3) | 8.9 | 16.5 | 0.12 | 0.10 | 0.10 | 0.21 | 1.23 |
| LSD20F2(F3)S | M5 | 7.2 | 13.5 | 0.13 | 0.06 | 0.06 | 0.18 | 2.11 |
| LSD20F2(F3)N | M5 | 12.1 | 22.4 | 0.20 | 0.15 | 0.15 | 0.31 | 2.11 |
| LSD25F2(F3)S | M6 | 11.5 | 20.8 | 0.22 | 0.11 | 0.11 | 0.36 | 2.76 |
| LSD25F2(F3)N | M6 | 19.3 | 34.7 | 0.36 | 0.31 | 0.31 | 0.60 | 2.76 |
| LSD30F2(F3)S | M6(M8) | 19.8 | 30.0 | 0.38 | 0.20 | 0.20 | 0.61 | 4.60 |
| LSD30F2(F3)N | M6(M8) | 28.3 | 50.3 | 0.65 | 0.53 | 0.53 | 1.03 | 4.60 |
| LSD35F2(F3)S | M8 | 29.2 | 40.7 | 0.66 | 0.33 | 0.33 | 0.93 | 6.27 |
| LSD35F2(F3)N | M8 | 42.7 | 70.2 | 1.02 | 0.72 | 0.72 | 1.50 | 6.27 |
Thông tin về thương hiệu AIRTAC
Đánh giá sản phẩm
0
0 đánh giá
0
0
0
0
0
Thêm đánh giá của bạn
Đăng nhập và để lại đánh giá
Bạn chưa tìm thấy sản phẩm mình muốn?
Vui lòng tham khảo các gợi ý sau hoặc liên hệ trực tiếp với chúng tôi để được hỗ trợ nhanh nhất.
